Support
Selective Soldering
Selective Solder Process Parameters
Selective Solder Quick Start Guide & Tips
Selective Solder Troubleshooting Guide
Introduction
Selective soldering is an automated through-hole method soldering. It is especially useful for avoiding damage to components that are sensitive to the heat of a reflow oven in a traditional SMT assembly process. Selective soldering is also useful for soldering odd size components. Selective soldering may replace or follow a SMT oven reflow process and is a substitute for laborious hand soldering.
To obtain the best process conditions and the highest degree of reliability for selective soldering, consider the following:
- Pad design type and distance between each other
- Distance between the component pad and the neighboring component pad (e.g. SMD that you do not want to touch)
- The pin length under the board
- The pitch between pins
Methods of selective soldering include dip soldering and drag soldering. Board design needs to be considered depending on which method is selected.
Some recommendations are listed below that will help obtain successful soldering results.
Board Design Characteristics for Selective Soldering Process
|
|
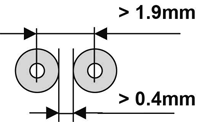
Internal Component Clearance
|
![]() |
Pin Length Under the Board
|
![]() |
External Clearance Around the Pads
|
Board Design Characteristics for Dragging Solder Process
![]() |
Internal Component Clearance
|
![]() |
Pin Length Under the Board
|
![]() |
External Clearance Around the Pads
|
Smallest Dimension of Solder Nozzle
![]() |
Rectangular Solder Nozzle
|
![]() |
Round Solder Nozzle
|
Maximum Height of Neighboring Components
On the bottom side (soldering side) of the board, the maximum height of components depends on the height of the solder nozzle used. The standard height of solder nozzles is 55mm, so the components should not be higher then 10mm.
Higher components demand a higher solder nozzle, which DDM Novastar can deliver on request. Furthermore, it is necessary to note the distance between any components and the solder joint. In the case of the dragging process, the components could touch the nitrogen hood and the nozzle when you are working with the components that are higher then 10mm.









